Arama Yapın
|
Kullanıcı Girişi
Ana Sayfa
Kategori Haritası
Sepetiniz
İletişim
19 Ocak 2026 Pazartesi
Reyonlarımız
Radyal Bilyalı Rulmanlar
Sabit Bilyalı Rulmanlar
Eğik Bilyalı Rulmanlar
Fener Mili Rulmanları
Oynak Bilyalı Rulmanlar
Dört Nokta Rulmanları
Radyal Makaralı Rulmanlar
İğne Masuralı Rulmanlar
İğneli Burçlar
İğneli Kovanlar
İğneli Kafesler
İğneli Rulmanlar (Masif)
Ayarlı İğneli Rulmanlar
İç Bilezikler
Tek Yönlü İğneli
Konik Makaralı Rulmanlar
Oynak Makaralı Rulmanlar
Silindirik Makaralı Rulmanlar
Eksenel Bilyalı Rulmanlar
Eksenel Sabit Bilyalı Rulmanlar
Eksenel Eğik Bilyalı Rulmanlar
Eksenel Makaralı Rulmanlar
Eksenel İğneli Rulmanlar
Eksenel Makaralı Rulmanlar
Eksenel Oynak Makaralı Rulmanlar
Eksenel Rulman Pulları
Kombine Radyal – Eksenel Rulmanlar
İğneli – Eğik Bilyalı Rulmanlar
İğneli – Eksenel Bilyalı Rulmanlar
İğneli – Eksenel Silindirik Makaralı
Vidalı Mil Yataklamaları
Vidalı Mil Rulmanları
Kam Makaraları
Civatalı Kam Makaraları
Destek Makaraları
Hareket Makaraları
Pimli Hareket Makaraları
Rod Başları
Mafsal Rulmanlar
Yataklı Rulmanlar
Bombeli Rulmanlar
Yatak + Rulman
Rulman Yatakları
Manşonlar
Lineer Rulmanlar Ve Yataklar
Tek Yönlü Rulmanlar
Kayar Yataklar
CONTALAR
Döviz Kurlarımız
43,2721 TL
50,3078 TL
Link Sepeti
Rulman Nedir ?
(S.S.S.) Sıkça Sorulan Sorular
Mesafeli Satış Sözleşmesi
Duyurular
e-rulman.com ondört yaşında!
Site İstatistiği
Ziyaretçi İstatistiği
Toplam :
151.387
Reyon ve Ürün İstatistiği
Sistemimizde
48
reyona bağlı
toplam
13.480
adet ürün bulunmaktadır.
Toplam CAD linki:
7.554
adet.
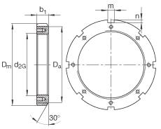
Manşonlar
/
HM31
/
HM3192
Manşon Somunu
d
2
(mm)
460
D
m
(mm)
580
b
1
(mm)
75
Ağırlık
53,8 kg.
Stokda Yok !
Bu ürün
6513
defa görüntülendi.
Diş ölçüsü: Tr460x5
Ana Sayfa
Kategori Haritası
Sepetiniz
İletişim
Sitemap
Web sitemizde en iyi deneyimi yaşamanızı sağlamak için çerezler kullanıyoruz.. Çerez kullanım poltikamıza
BURADAN
erişebilirsiniz. Sitemizi kullanmaya devam ederek çerez kullanımını kabul etmiş sayılıyorsunuz.
Tamam